Yardman Lawn Mower Parts Diagram : Mtd 142 995 000 Lawn Mower User Manual Manualzz : It instructs you how to safely and easily set up, operate and maintain your machine.

Info Populer 2022

Yardman Lawn Mower Parts Diagram : Mtd 142 995 000 Lawn Mower User Manual Manualzz : It instructs you how to safely and easily set up, operate and maintain your machine.

Yardman Lawn Mower Parts Diagram : Mtd 142 995 000 Lawn Mower User Manual Manualzz : It instructs you how to safely and easily set up, operate and maintain your machine.
Yardman Lawn Mower Parts Diagram : Mtd 142 995 000 Lawn Mower User Manual Manualzz : It instructs you how to safely and easily set up, operate and maintain your machine.

Yardman Lawn Mower Parts Diagram : Mtd 142 995 000 Lawn Mower User Manual Manualzz : It instructs you how to safely and easily set up, operate and maintain your machine.. I am looking for a wiring diagram for an mtd yardman riding lawn mower model 13bxg40 with a 42 deck and a hydrostatic transmission. 365 day right part guaranteed return policy. Belt diagram for 46 mtd yard machine riding mower belt diagram for 46 mtd. Honda hrs lawn mower parts; Honda hrc lawn mower parts;

247.27432 lawn mower pdf manual download. Whether it's aftermarket mtd mower parts (see categories below) or original equipment mtd lawn mower parts by parts lookup diagrams, we have a very large inventory in our newly expanded 12,500+ square. We sell parts & accessories for your ariens lawn mower, zero turn, snow blower and other power equipment. Thank you for purchasing a lawn mower manufactured by mtd. Honda hra214 hra215 hra216 lawn mower parts;

Yard Man Lawn Tractor 13au694h401 Ereplacementparts Com
Yard Man Lawn Tractor 13au694h401 Ereplacementparts Com from www.ereplacementparts.com
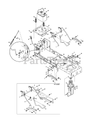
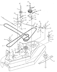
Belt diagram for 46 mtd yard machine riding mower belt diagram for 46 mtd. Yard man lawn tractor parts that fit, straight from the manufacturer. Honda hrn lawn mower parts; Diagram of how to put the blade belt on my yardman 42' riding lawnmower i can& #39;t get my blade belt on yeah, these belts can seem impossible to figure out.fix your yard man lawn mower today with parts, diagrams, accessories and repair advice from ereplacement parts! I am looking for a wiring diagram for an mtd yardman riding lawn mower model 13bxg40 with a 42 deck and a hydrostatic transmission. It is easy and free Changing the drive belt on a mtd yardman riding mower is part of a routine attach the deck belt to the pulleys starting with the pulley on the far right. Here at pats small engine plus we have all your mtd lawn mower replacement parts needs at prices that will be hard to find from our competitors.

I am looking for a wiring diagram for an mtd yardman riding lawn mower model 13bxg40 with a 42 deck and a hydrostatic transmission.

Honda hrc lawn mower parts; If you do not see the mtd lawn mower parts you need, please complete the lawn mower parts request form and we will be happy to assist you. It is easy and free Use our part lists, interactive diagrams, accessories and expert repair advice to make your repairs easy. Honda hrm195 hrm215 lawn mower parts; 247.27432 lawn mower pdf manual download. Report this by manage my life. Honda hra214 hra215 hra216 lawn mower parts; I need a wiring diagram for my lawn mower. Ariens exploded parts diagrams we sell parts & accessories for your briggs & stratton equipment. Honda hr21 hr214 hr215 hr216 lawn mower parts; Thank you for purchasing a lawn mower manufactured by mtd. Please enter one or more characters.

Honda hrs lawn mower parts; Question about yardman riding lawn mower 38in deck 12 12 hp i need a diagram of how to put the blade belt on my yardman 42' riding lawnmower. Use our part lists, interactive diagrams, accessories and expert repair advice to make your repairs easy. 365 day right part guaranteed return policy. We carry everything for your machine and the parts diagram helps visualize every component found in your equipment.

The Best Free Mower Drawing Images Download From 189 Free Drawings Of Mower At Getdrawings
The Best Free Mower Drawing Images Download From 189 Free Drawings Of Mower At Getdrawings from getdrawings.com
Repair parts home lawn equipment parts yard man parts yard man lawn mower parts yard man 13bt604g452 lawn mower parts. Honda hrs lawn mower parts; It instructs you how to safely and easily set up, operate and maintain your machine. Whether it's aftermarket mtd mower parts (see categories below) or original equipment mtd lawn mower parts by parts lookup diagrams, we have a very large inventory in our newly expanded 12,500+ square. It is easy and free We sell parts & accessories for your ariens lawn mower, zero turn, snow blower and other power equipment. Honda hrc lawn mower parts; Ariens exploded parts diagrams we sell parts & accessories for your briggs & stratton equipment.

Please be sure that you, and any other

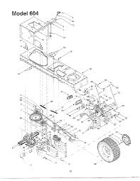
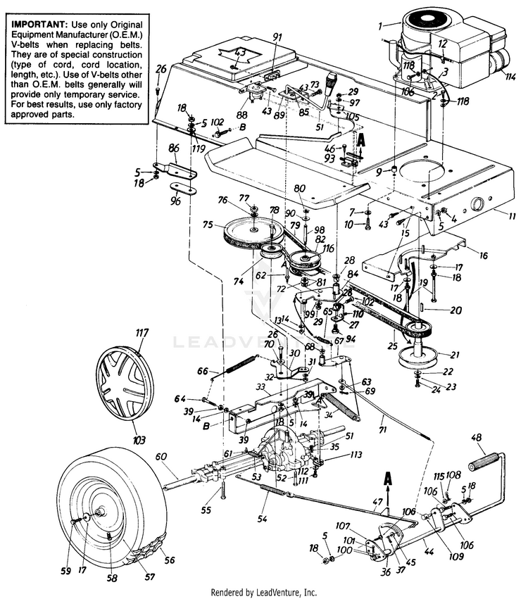
The engine is a kohler 16 h.p. How to find mtd model number. 13ac76lf055 (2010) yard man ride on lawn mower parts 13ac76lf055 (2011) yard man ride on lawn mower parts 13ad604g401 (1999). Belt diagram for 46 mtd yard machine riding mower belt diagram for 46 mtd. May 21st, yard man (by mtd) model # 13acf wiring diagram. We carry everything for your machine and the parts diagram helps visualize every component found in your equipment. I am looking for a wiring diagram for an mtd yardman riding lawn mower model 13bxg40 with a 42 deck and a hydrostatic transmission. Honda hr17 lawn mower parts; Honda hrs lawn mower parts; 247.27432 lawn mower pdf manual download. I need a diagram showing for a 20hp yardman tractor model number 13atg we have parts, diagrams, accessories and repair advice to make your tool repairs yard man 13bth lawn tractor parts upper drive belt. I need a wiring diagram for my lawn mower. Thank you for purchasing a lawn mower manufactured by mtd.

Honda hr17 lawn mower parts; Our diverse lineup of quality lawn equipment with great features gets the job done fast, allowing you to focus on what's important in life. We carry everything for your machine and the parts diagram helps visualize every component found in your equipment. Repair parts home lawn equipment parts yard man parts yard man lawn mower parts yard man 13bt604g452 lawn mower parts. The engine is a kohler 16 h.p.

Mtd Mtd Lawnflite 116 312 059 Parts Diagram For Parts
Mtd Mtd Lawnflite 116 312 059 Parts Diagram For Parts from az417944.vo.msecnd.net
Honda hr17 lawn mower parts; Honda hrb215 hrb216 hrb217 lawn mower parts; Mtd outdoor power equipment has earned a reputation of affordable quality. Our diverse lineup of quality lawn equipment with great features gets the job done fast, allowing you to focus on what's important in life. Wiring diagram for an mtd yardman? Please read this entire manual prior to operating the equipment. Honda hrm195 hrm215 lawn mower parts; Please enter one or more characters.

Mtd outdoor power equipment has earned a reputation of affordable quality.

Belt diagram for 46 mtd yard machine riding mower belt diagram for 46 mtd. 13ac76lf055 (2010) yard man ride on lawn mower parts 13ac76lf055 (2011) yard man ride on lawn mower parts 13ad604g401 (1999). Parts diagrams and manuals available. Repair parts home lawn equipment parts yard man parts yard man lawn mower parts yard man 13bt604g452 lawn mower parts. Wiring diagram for an mtd yardman? If you do not see the mtd lawn mower parts you need, please complete the lawn mower parts request form and we will be happy to assist you. Complete exploded views of all the major manufacturers. It was carefully engineered to provide excellent performance when properly operated and maintained. Please enter one or more characters. We carry everything for your machine and the parts diagram helps visualize every component found in your equipment. It instructs you how to safely and easily set up, operate and maintain your machine. Here is a picture gallery about yardman lawn mower parts diagram complete with the description of the image, please find the image you need. Here at pats small engine plus we have all your mtd lawn mower replacement parts needs at prices that will be hard to find from our competitors.

Advertisement

Iklan Sidebar